移動電話用戶撥打服號170,進入170話費查詢催繳系統,可查詢話費,接收話單傳真,同時此系統自動對拖欠電話費的用戶進行催繳,及時通知欠費用戶繳納當月話費;另外,系統還可加入Internet接口,為Internet用戶提供查詢服務。使用此系統有利于提高移動通信企業的客服質量,便于企業對業務的管理。
一、系統基本功能:
此系統采用東進PCI電腦語音板卡構建語音硬件平臺,配合話費查詢催繳系統軟件,可實現以下系統功能:
話費查詢
話單傳真
話費自動催繳
Internet網上查詢
信息統計
人工座席查詢功能
銀行聯網電話繳費功能
二、系統結構

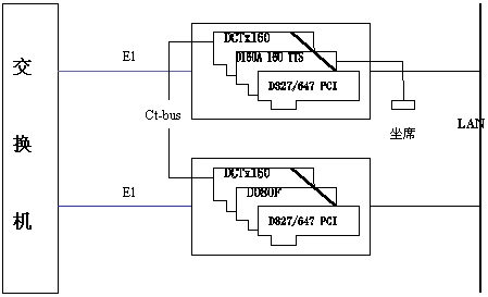
CTI硬件介紹(查詢、催繳服務器):
1.硬件平臺:凌華工控機(PCI插槽)
2.板卡組合:東進D327/647 PCI 七號信令數字卡(可按需選D320/640 PCI一號信令數字卡)、D080F PCI傳真卡、D160A 16U 坐席卡+TTS語音合成(內置TSS功能)、DCTx160 過機卡
3、操作系統:WINNT4.0 、WIN2000/98、WINME
4、軟件接口:Visual Basic 、C (Visual C++, Borland C++ ……) 、Delphi 、Visual FoxPRo 、Powerbuilder 、其它支持動態連接庫(DLL)的開發平臺
5、兼容交換機類型:所有廠家的交換機
6、交換機接口方式:E1數字接口(PCM,2.048MBPS、中國一號信令或中國七號信令、 2.5C-2V-75W同軸電纜或120W雙絞線)
7.系統容量:30路以上,可按需定制;
如下圖:

CTI平臺實現和支持以下功能:
自動檢測摘掛機,識別DTMF和傳真信號音,按鍵打斷語音,自動向外撥號
自動呼叫分配(ACD)
自動語音應答(IVR)
語音合成,自動播放音
人工坐席
按需傳真
新聞熱點
疑難解答