若機器不能發送傳真報“通訊錯誤”或“無應答”,是由于傳真信號不穩定造成的,如需解決,請按照以下步驟操作:
1、請您確認接打電話是否正常,若接打電話不正常,請檢查線路連接,建議電話主線從墻里出來后,直接連接機器上的【Line】端口,請不要連接分線盒、交換機、綁定寬帶等其他業務。若連接其他業務線路,建議更換單獨直線連接嘗試。若線路沒有問題,請繼續步驟2操作。

2、請您確認發送傳真操作是否正確,請點擊這里查看發送傳真正確操作。如發送傳真操作沒有問題,請繼續步驟3操作。
3、請您確認一下是多家不可以發送,還是一家不能發送,如果是一家不能發送,有可能是對方機器問題,請排除對方機器問題后再嘗試發送。如果是多家不能發送傳真,請確認原稿進紙是否正常,如不正常,換玻璃板嘗試發送。若無法解決問題,請繼續步驟4操作。
4、若沒有連接分線盒、交換機、綁定寬帶等其他業務,依然信號不穩定時,可進入機器的技術模式調節傳真速率嘗試。
1)依次按控制面板上的【菜單】、【#】、【1】、【9】、【3】、【4】,再按【菜單】鍵。

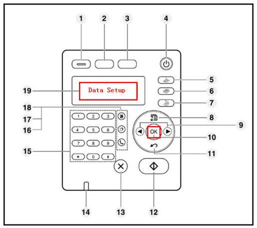
2)待屏幕顯示【Tech Menu】時,按【OK】鍵。

3)待屏幕顯示【Data Setup】時,按【OK】鍵。

4)按控制面板上的右箭頭找到【Modem Speed】,再按【OK】鍵。

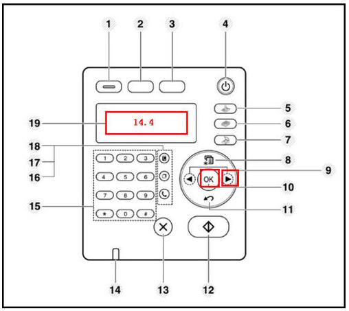
5)按控制面板上的右箭頭找到【14.4】,再按【OK】鍵。

6)按控制面板上的【返回】鍵,到待機狀態,最后按【菜單】、【#】、【1】、【9】、【3】、【4】,就恢復到就緒模式了,您再嘗試傳真操作就可以了。

如上述操作仍不能解決,請您點擊這里查詢三星售后服務中心地址。
相關推薦:
松下傳真機怎么發送傳真?
電腦控制面板找不到打印機和傳真怎么辦?
HP惠普一體機怎么設置保存已接收/發送傳真內容?
新聞熱點
疑難解答