供電電路大致構成
CPU主供電是CPU工作的一個重要條件,大多由電源IC、場效應管、電感線圈、電容等組成,有時會再加入穩壓二極管、三極管組成CPU主供電路。
電腦主板主板通電后,電源IC(又叫PWM Control)開始工作,發出脈沖信號,使得兩個場效應管輪流導通,當負載兩端的電壓VCORE(如CPU需要的電壓)要降低時,通過MosfET場效應管的開關作用,外部電源對L2電感進行充電并達到所需的額定電壓。

當負載兩端的電壓升高時,通過MosfET場效應管的開關作用,外部電源供電斷開,電感L2釋放出剛才充入的能量,這時的L2電感就變成了電源繼續對負載供電。隨著L2電感上存儲能量的消耗,負載兩端的電壓開始逐漸降低,外部電源通過MosfET場效應管的開關作用又要充電。依此類推在不斷地充電和放電的過程中就行成了一種穩定的電壓,永遠使負載兩端的電壓不會升高也不會降低。供電圖如下:

注:此電路為Pentium Ⅲ以前主板常采用,一般輸出CPU核心供電2.0V,外核供電2.5V,內核供電1.5V,內存3.3V(也有北橋、南橋通過這種方式供電)。
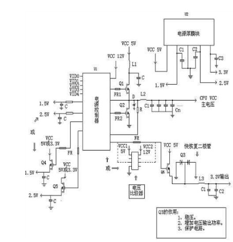
電路工作原理CPU單相供電電路工作原理詳解:ATX5V經過Lin加到Q1的D極,12V功過電容濾波直接加到HIP3021的Vcc,此時HIP3021開始工作,通過內部振蕩電路產生矩形波信號經UGATE和LGATE分別輸出控制Q1和Q2的G極;當Q1接到控制信號后導通,并向電感Lout1充電,當Lout1充電達到額定電壓2V左右(不同檔次的CPU不一樣)時Q1截止,Q2導通,電感Lout1放電輸出向CPU核心電壓供電。

當Lout1電感放電低于2V時,Q2截止,Q1導通再次給電感充電;通過Q1和Q2輪流導通控制Lout1輸出一個恒定的電壓供給CPU。當我們插上CPU時,VID0-VID4識別到CPU內部電平設置,通過HIP6021內部A/D數模轉換,再通過比較器比較控制Q1和Q2的占空比,從而調整輸出適合CPU正常工作的電壓。
POWERGOOD為電源信號,當CPU供電正常時此信號發出CPU開始工作。
FB為反饋信號,反饋電路監控輸出電壓和電流是否超出額定值,IC通過反饋電路反饋回來的信號調整內部控制電路,控制Q1和Q2的占空比,始終保持輸出恒定的電壓和電流供給CPU。
維修流程故障的第一表現為:CPU核心電壓(Vcore)不正常。而這有兩種情況:
第一是:CPU核心電壓偏高或偏低:
第二種是:無供電
經驗提示:一般內核1.5V和外核2.5V不正常大多為輸出此電壓的場效應管或穩壓管損壞。
新聞熱點
疑難解答