前言
Skip List是一種隨機化的數據結構,基于并聯的鏈表,其效率可比擬于二叉查找樹(對于大多數操作需要O(log n)平均時間)。基本上,跳躍列表是對有序的鏈表增加上附加的前進鏈接,增加是以隨機化的方式進行的,所以在列表中的查找可以快速的跳過部分列表(因此得名)。所有操作都以對數隨機化的時間進行。Skip List可以很好解決有序鏈表查找特定值的困難。
跳表是平衡樹的一種替代的數據結構,但是和紅黑樹不相同的是,跳表對于樹的平衡的實現是基于一種隨機化的算法的,跳躍表使用概率均衡技術而不是使用強制性均衡,因此,對于插入和刪除結點比傳統上的平衡樹算法更為簡潔高效。
一個跳表具有以下特征:
1.一個跳表應該有幾個層(level)組成;
2.跳表的第一層包含所有的元素;
3.每一層都是一個有序的鏈表;
4.如果元素x出現在第i層,則所有比i小的層都包含x;
5.第i層的元素通過一個down指針指向下一層擁有相同值的元素;
6.Top指針指向最高層的第一個元素。
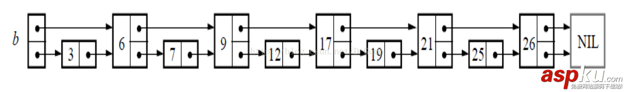
下面來研究一下跳表的核心思想: 先從鏈表開始,如果是一個簡單的鏈表,那么我們知道在鏈表中查找一個元素I的話,需要將整個鏈表遍歷一次。

如果是說鏈表是排序的,并且節點中還存儲了指向前面第二個節點的指針的話,那么在查找一個節點時,僅僅需要遍歷N/2個節點即可。

如上圖所示,是一個即為簡單的跳躍表。傳統意義的單鏈表是一個線性結構,向有序的鏈表中插入一個節點需要O(n)的時間,查找操作需要O(n)的時間。如果我們使用上圖的跳躍表,就可以減少查找所需時間為O(n/2),因為我們可以先通過每個節點的最上面的指針先進行查找,這樣子就能跳過一半的節點。比如我們想查找19,首先和6比較,大于6之后,在和9進行比較,然后在和12進行比較......最后比較到21的時候,發現21大于19,說明查找的點在17和21之間,從這個過程中,我們可以看出,查找的時候跳過了3、7、12等點,因此查找的復雜度為O(n/2)。
當然上面只是最簡單的就是跳躍表,真正的跳表每一個結點不單單只包含指向下一個結點的指針,可能包含很多個指向后續結點的指針,這樣就可以跳過一些不必要的結點,從而加快查找、刪除等操作。對于一個鏈表內每一個結點包含多少個指向后續元素的指針,這個過程是通過一個隨機函數生成器得到,就是通過隨機生成一個結點中指向后續結點的指針數目。

通過上面的跳表的很容易設計這樣的數據結構:
定義每個節點類型:
typedef struct nodeStructure *node;typedef struct nodeStructure{ keyType key; // key值 valueType value; // value值 // 向前指針數組,根據該節點層數的 // 不同指向不同大小的數組 node forward[1]; }; 
上面的每個結構體對應著圖中的每個節點,如果一個節點是一層的節點的話(如7,12等節點),那么對應的forward將指向一個只含一個元素的數組,以此類推。
定義跳表數據類型:
// 定義跳表數據類型typedef struct listStructure{ int level; struct nodeStructure * header;} * list;
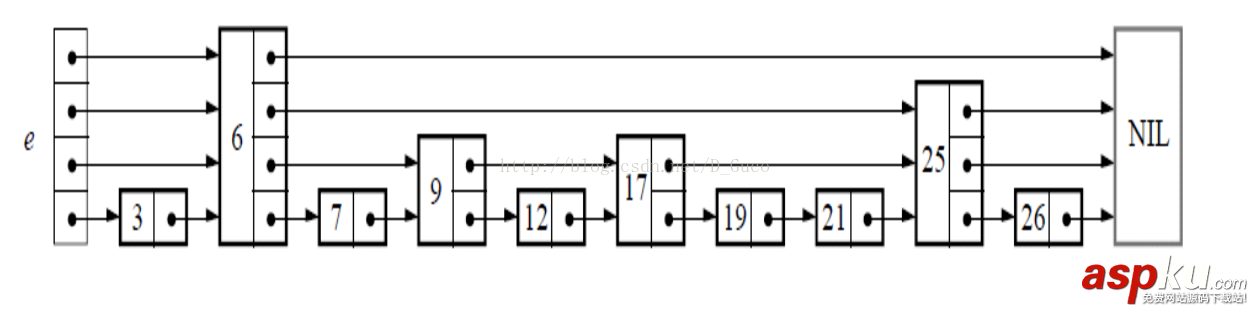
先不看代碼先用圖來描述一下Skip List構造,插入和刪除的過程:
構造Skip List
1、給定一個有序的鏈表。
2、選擇連表中最大和最小的元素,然后從其他元素中按照一定算法(隨機)隨即選出一些元素,將這些元素組成有序鏈表。這個新的鏈表稱為一層,原鏈表稱為其下一層。
3、為剛選出的每個元素添加一個指針域,這個指針指向下一層中值同自己相等的元素。Top指針指向該層首元素
4、重復2、3步,直到不再能選擇出除最大最小元素以外的元素。

插入過程
例子:插入 119, level = 2

如果 K 大于鏈表的層數,則要添加新的層。
例子:插入 119, K = 4

刪除 21

看到這就很清楚了,上面已經提到所謂的Skip List是每層從它的下一層按照某種規律抽出一些元素,它的操作也很簡單,它的操作其實按層來操作鏈表,基本上是從上往下來操作。
具體的實現如下:
定義數據結構
//// skiplist_def.h// test//// Created by 杜國超 on 17/9/24.// Copyright © 2017年 杜國超. All rights reserved.//#ifndef skiplist_def_h#define skiplist_def_h#define MAX_LEVEL 8typedef int KeyType;typedef int ValueType;//定義節點信息數據結構template <typename K,typename V>struct NodeStructure { K key; V value; NodeStructure* forward[1];};//定義跳躍表數據結構template <typename K,typename V>struct SkipLisStructure{ int level; NodeStructure<K,V>* header;};typedef struct NodeStructure<KeyType,ValueType> NodeType;typedef struct SkipLisStructure<KeyType,ValueType> ListType;typedef NodeType* Node;typedef ListType* List;#define NEW_LEVEL_NODE(level) (Node)malloc(sizeof(NodeType) + (level) * sizeof(Node))#endif /* skiplist_def_h */
增刪查操作實現
//// skiplist.h// test//// Created by 杜國超 on 17/9/24.// Copyright © 2017年 杜國超. All rights reserved.//#ifndef skiplist_h#define skiplist_h#include "skiplist_def.h"class CSkipList{public: CSkipList(); ~CSkipList();public: ValueType* Search(const KeyType& key); bool Insert(KeyType& key,ValueType& value); bool Delete(const KeyType& key,ValueType& value); void FreeList();private: int RandomLevel();private: List _skipList; int _size; }; #endif /* skiplist_h *///// skiplist.cpp// test//// Created by 杜國超 on 17/9/24.// Copyright © 2017年 杜國超. All rights reserved.//#include "skiplist_def.h"#include "skiplist.h"#include <stdlib.h>CSkipList::CSkipList(){ _skipList = (List)malloc(sizeof(ListType)); // 設置跳表的層level,初始的層為0層(數組從0開始) _skipList->level = 0; _skipList->header = NEW_LEVEL_NODE(MAX_LEVEL); // 將header的forward數組清空 for(int i = 0; i < MAX_LEVEL; ++i) _skipList->header->forward[i] = NULL; _size = 0;}CSkipList::~CSkipList(){ FreeList();}ValueType* CSkipList::Search(const KeyType& key){ Node node = _skipList->header; Node indexNode = NULL; for(int i = _skipList->level - 1; i >= 0; --i){ while((indexNode = node->forward[i]) && (indexNode->forward[i]->key <= key)) { if (indexNode->key == key) { return &(indexNode->value); } node = indexNode; } } return NULL;}bool CSkipList::Insert(KeyType& key, ValueType& value){ Node update[MAX_LEVEL]; int i; Node node = _skipList->header; Node indexNode = NULL; //尋找key所要插入的位置 for(i = _skipList->level - 1; i >= 0; --i){ while((indexNode = node->forward[i]) && (indexNode->forward[i]->key < key)) { node = indexNode; } update[i] = node; } node = node->forward[0]; //如果key已經存在 if(node->key == key){ node->value = value; return false; }else{ //隨機生成新結點的層數 int level = RandomLevel(); if(level > _skipList->level){ for (int i = _skipList->level;i < level;++i) { update[i] = _skipList->header; } _skipList->level = level; } //申請新的結點 Node newNode = NEW_LEVEL_NODE(level); newNode->key = key; newNode->value = value; //調整forward指針 for(int i = level - 1; i >= 0; --i){ node = update[i]; newNode->forward[i] = node->forward[i]; node->forward[i] = newNode; } //更新元素數目 ++_size; return true; }}bool CSkipList::Delete(const KeyType& key,ValueType& value){ Node update[MAX_LEVEL]; int i; Node node = _skipList->header; Node indexNode = NULL; //尋找key所要插入的位置 for(i = _skipList->level - 1; i >= 0; --i){ while((indexNode = node->forward[i]) && (indexNode->forward[i]->key < key)) { node = indexNode; } update[i] = node; } node = node->forward[0]; //結點不存在 if(node->key != key){ return false; }else{ value = node->value; //調整指針 for(i = 0; i < _skipList->level; ++i){ if(update[i]->forward[i] != node) break; update[i]->forward[i] = node->forward[i]; } //刪除結點 free(node); for(int i = _skipList->level - 1; i >= 0; i--){ if(_skipList->header->forward[i]==NULL){ _skipList->level--; } } //更新鏈表元素數目 --_size; return true; } }int CSkipList::RandomLevel(){ int k = 1; while (rand()%2) { k++; } k=(k<MAX_LEVEL)?k:MAX_LEVEL; return k;}void CSkipList::FreeList(){ Node p = _skipList->header; Node q; while(p != NULL){ q = p->forward[0]; free(p); p = q; } free(p); free(_skipList); _size = 0;}總結
以上就是這篇文章的全部內容了,希望本文的內容對大家的學習或者工作具有一定的參考學習價值,如果有疑問大家可以留言交流,謝謝大家對VEVB武林網的支持。
新聞熱點
疑難解答